Product Summary
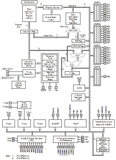
The PIC16F886-I/SS is an Enhanced Flash-Based 8-Bit CMOS Microcontroller with nanoWatt Technology.
Parametrics
PIC16F886-I/SS absolute maximum ratings: (1)Ambient temperature under bias:-40℃ to +125℃; (2)Storage temperature:-65℃ to +150℃; (3)Voltage on VDD with respect to VSS:-0.3V to +6.5V; (4)Voltage on MCLR with respect to Vss:-0.3V to +13.5V; (5)Voltage on all other pins with respect to VSS:-0.3V to (VDD + 0.3V); (6)Total power dissipation:800 mW; (7)Maximum current out of VSS pin:95 mA; (8)Maximum current into VDD pin:95 mA; (9)Input clamp current, IIK (VI < 0 or VI > VDD):± 20 mA; (10)Output clamp current, IOK (Vo < 0 or Vo >VDD):± 20 mA; (11)Maximum output current sunk by any I/O pin:25 mA; (12)Maximum output current sourced by any I/O pin:25 mA; (13)Maximum current sunk by all ports (combined):90 mA; (14)Maximum current sourced by all ports (combined):90 mA.
Features
PIC16F886-I/SS features: (1)High current source/sink for direct LED drive; (2)Interrupt-on-Change pin; (3)Individually programmable weak pull-ups; (4)Ultra Low-Power Wake-up (ULPWU); (5)Two analog comparators; (6)Programmable on-chip voltage reference (CVREF) module (% of VDD); (7)Fixed voltage reference (0.6V); (8)Comparator inputs and outputs externally accessible; (9)SR Latch mode; (10)External Timer1 Gate (count enable); (11)A/D Converter:10-bit resolution and 11/14 channels; (12)Timer0: 8-bit Timer/Counter with 8-bit ; (13)Programmable Prescaler; (14)16-bit Capture, max. resolution 12.5 ns; (15)Compare, max. resolution 200 ns; (16)10-bit PWM with 1, 2 or 4 output channels, programmable dead time, max. frequency 20 kHz; (17)PWM output steering control; (18)16-bit Capture, max. resolution 12.5 ns; (19)16-bit Compare, max. resolution 200 ns; (20)10-bit PWM, max. frequency 20 kHz.
Diagrams

| Image | Part No | Mfg | Description | ![]() |
Pricing (USD) |
Quantity | ||||||||||||
|---|---|---|---|---|---|---|---|---|---|---|---|---|---|---|---|---|---|---|
![]() |
![]() PIC16F886-I/SS |
![]() Microchip Technology |
![]() 8-bit Microcontrollers (MCU) 14KB Flash 368 RAM 25 I/O |
![]() Data Sheet |
![]()
|
|
||||||||||||
| Image | Part No | Mfg | Description | ![]() |
Pricing (USD) |
Quantity | ||||||||||||
![]() |
![]() PIC1018SCL |
![]() Other |
![]() |
![]() Data Sheet |
![]() Negotiable |
|
||||||||||||
![]() |
![]() PIC10F200 |
![]() Other |
![]() |
![]() Data Sheet |
![]() Negotiable |
|
||||||||||||
![]() |
![]() PIC10F200-E/MC |
![]() Microchip Technology |
![]() 8-bit Microcontrollers (MCU) 384B Flash16B RAM 4 I/O |
![]() Data Sheet |
![]()
|
|
||||||||||||
![]() |
![]() PIC10F200-E/OT |
![]() Other |
![]() |
![]() Data Sheet |
![]() Negotiable |
|
||||||||||||
![]() |
![]() PIC10F200-E/P |
![]() Microchip Technology |
![]() 8-bit Microcontrollers (MCU) U 579-PIC10F200-I/P |
![]() Data Sheet |
![]() Negotiable |
|
||||||||||||
![]() |
![]() PIC10F200-I/MC |
![]() Microchip Technology |
![]() 8-bit Microcontrollers (MCU) 0.375KB Fl 16B RAM |
![]() Data Sheet |
![]()
|
|
||||||||||||
(China (Mainland))










