Product Summary
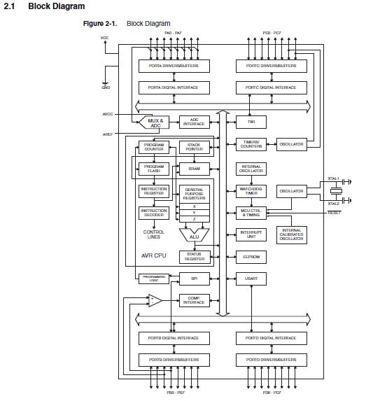
The ATMEGA16A-AU is a 8-bit Microcontroller with 16K Bytes In-System Programmable Flash.
Parametrics
ATMEGA16A-AU absolute maximum ratings: (1)Operating Temperature: -55℃ to +125℃; (2)Storage Temperature: -65℃ to +150℃; (3)Voltage on any Pin except RESET with respect to Ground: -0.5V to VCC+0.5V; (4)Voltage on RESET with respect to Ground: -0.5V to +13.0V; (5)Maximum Operating Voltage: 6.0V; (6)DC Current per I/O Pin: 40.0 mA; (7)DC Current VCC and GND Pins: 200.0 - 200.0mA.
Features
ATMEGA16A-AU features: (1)High-performance, Low-power AVR 8-bit Microcontroller; (2)Advanced RISC Architecture: 131 Powerful Instructions-Most Single-clock Cycle Execution, 32 x 8 General Purpose Working Registers, Fully Static Operation, Up to 16 MIPS Throughput at 16 MHz, On-chip 2-cycle Multiplier; (3)High Endurance Non-volatile Memory segments: 16K Bytes of In-System Self-programmable Flash program memory, 512 Bytes EEPROM, 1K Byte Internal SRAM, Write/Erase Cycles: 10,000 Flash/100,000 EEPROM, Data retention: 20 years at 85℃/100 years at 25℃.
Diagrams

| Image | Part No | Mfg | Description | ![]() |
Pricing (USD) |
Quantity | ||||||||||||
|---|---|---|---|---|---|---|---|---|---|---|---|---|---|---|---|---|---|---|
![]() |
![]() ATMEGA16A-AU |
![]() Atmel |
![]() 8-bit Microcontrollers (MCU) 16KB In-system Flash 2.7V - 5.5V |
![]() Data Sheet |
![]()
|
|
||||||||||||
![]() |
![]() ATMEGA16A-AUR |
![]() Atmel |
![]() 8-bit Microcontrollers (MCU) AVR LCD 16KB FLSH EE 512B 1KB SRAM-16MHZ |
![]() Data Sheet |
![]()
|
|
||||||||||||
(China (Mainland))










